Це одна сторона питання, а друга, виключно значуща для України як лідера з виробництва соняшникової олії (а значить і соняшникового шроту) — економічно недоцільно весь білок, який одержують при виробництві олії, відправляти на корм тваринам (тим більше за межі України), які не отримуючи хоча б частину харчового білка для включення його в продукти харчування людини.
В ідеалі, більш ефективна переробка соняшнику подається у такий спосіб (рис. 1). Тут наведена блок-схема глибокої переробки соняшнику.
Рис. 1. Блок-схема поглибленої переробки насіння соняшнику

Окремим бізнесом може бути виділення із загального потоку насіння великого насіння (блок II, рис. 1). Велике насіннячко дорожче, ніж олія з нього. При поставці соняшнику на олієзавод не має значення крупність насіння. Більш того, іноді обмежують прийом великого насіння через необхідність заміни просівного сита на очищувальних машинах на більший розмір отвору, а це значить, що партію крупного насіння необхідно очищати окремо від решти. У той же час, у загальному обсязі соняшнику завжди є частка насіння, крупність якого (вихід зі щілинного сита 3,6 і маса 1000 шт. насіння більше 80 г) потрапляє в іншу, вищу цінову нішу. Економічно вигідніше виділити такий соняшник із загального потоку і запропонувати його у відповідній ніші ринку. Для виділення великого насіння весь потік доцільно пропускати через калібратор.
Є одна особливість у цій операції. Оскільки з великим насінням обов’язково потрапляє співрозмірне сміття, то з метою отримання повного очищення (це вимога ринку) доцільно відкаліброване насіння пофракційно пропускати через пневмовібростіл для повного його очищення. В цілому, шляхи підвищення ефективності переробки соняшнику, запропоновані в блок-схемі (рис. 1), формуються так:
I. Виділення із загального потоку насіння великого з метою подальшої його пропозиції на ринку за цінами більш цікавими, ніж переробка на олію.
II. Переробка великого насіння на ядро і пропозиція його на ринку ядра.
III. Переробка ядра на олію холодного пресування і макуха (біла пелюстка) для продажу олії у роздріб, а біла пелюстка — для харчових технологій.
IV. Екстракція білої пелюстки з метою виділення олії й отримання високобілкового концентрату як компонента для харчової промисловості.
Якщо говорити з позицій бізнесу, то ефективність переробки за запропонованою схемою може підвищити рентабельність переробки великого соняшнику не менш ніж на 50%.
Олії, отримані способом холодного пресування з чистого ядра соняшнику, належать до натуральних і вважаються найкориснішими. Кінцевий продукт містить всі вітаміни, фітостероли, токофероли, каротиноїди, вуглеводи, віск, мінеральні сполуки і ряд речовин, які визначають ароматичні та смакові властивості.
Вважається, що з рослинних білків білок соняшнику найменше відхиляється від стандарту — білка курячого яйця. Для отримання 1 кг білків м’яса необхідно витратити на корм, засвоюваних тваринами рослинних білків, з м’яса яловичого 7,5 кг; свинини — 5,0 кг; баранини — 9,5 кг; птиці — 4,6 кг; яєць — 3,7 кг.
Виходить, що продуктивність харчових білків рослинними організмами майже на порядок вище, ніж у тваринних, і конверсія білка при тристадійному ланцюжку: рослинництво-тваринництво-харчовий продукт призводить до великих втрат білка. При вживанні білків, отриманих за двостадійного ланцюжка: рослинництво-харчовий продукт ефективність використання посівних площ збільшується у 4,6–7,5 разів (рис. 3).
Рис. 3. Різниця у конверсії білка при три- і двостадійному ланцюжку

На рис. 2 показано, скільки рослинного білка повинно потрапити різним тваринам у складі корму для продукування 1 кг білка в м’ясі.
Рис. 2. Частка білка в рослинному кормі для продукування 1 кг білка тваринами

Пресування чистого ядра, крім олії холодного пресування, дозволяє отримати білий шрот (біла пелюстка) з високим вмістом білка, що не піддалося денатурації. Біла макуха (біла пелюстка), отримана при віджиманні олії з чистого ядра, добре перемелюється у високобілкове борошно з вмістом олії, що залишилася близько 15%, дозволяючи використовувати його в різних харчових технологіях (рис. 4).

Наступний крок на шляху поглибленої переробки соняшнику — це екстракція білої макухи. Знежирений білковий концентрат з ядра соняшнику — нова позиція на ринку білкових концентратів (рис. 5, 6).

Саме так, останній пункт глибокої переробки соняшнику — це екстракція білої пелюстки (макухи), отриманої при холодному пресуванні ядра харчовими екстрагентами (спирт, хладон), з метою отримання олії, що залишилася (~ 15%) і, головне, отримання знежиреного білкового концентрату з ядра соняшнику.
Сьогодні на ринку рослинного білка перше місце займає білок сої, в доступному для огляду майбутньому це лідерство сої буде тільки посилюватися. Тому три причини:
- попит на рослинний білок зростає;
- відносно високий вихід білка з одиниці посівної площі;
- соя невибаглива до умов вирощування, і транспортування її менш витратне (важче соняшнику більш ніж удвічі).
Зрозуміло, що ставити питання про повне заміщення харчового білка сої на харчовий білок соняшнику ніяких підстав немає і не буде. Може йтися лише про більш ефективний варіант переробки соняшнику при виробництві з нього олії і кормового шроту.
У зв’язку з цим, цікаві порівняння білкових продуктів, отриманих із сої та соняшнику. У 2012 р. в ТОВ «Лан 2012» Харківської області Приходькін А. С. і Фотченко К. В. поставили виробництво з перероби чистого соняшникового ядра на олію холодного пресування і на білу макуху. Після екстракції був отриманий шрот — знежирений концентрат ядра соняшнику без лушпиння. Фахівці ДНУ ВНІІЖ Россільгоспакадемії (м. Санкт-Петербург) Доморощенкова М. Л. і Крилова І. В. (2012 р.) провели порівняльні дослідження соєвих і соняшникових білкових продуктів. Дані проведених досліджень наведені на рис. 7.
Рис. 7. Характеристика хімічного складу і функціонально-технологічних
властивостей зразків соняшникового концентрату та соєвого борошна

Порівняння біологічної цінності зразків соєвих і соняшникових білків наведені на малюнку 8.
Рис. 8. Відносна біологічна цінність зразків соєвих і соняшникових білків

Висновки авторів
дослідження
Проведені дослідження показали, що отримані зразки соняшникових білків мають хімічний склад і функціонально-технологічні властивості, які можна порівняти зі знежиреним і напівобезжиреним соєвим борошном. Вміст водорозчинного протеїну в обох зразках характерний для нативних білків соняшнику. У зразках соняшникових білків, у порівнянні з соєвими, відзначено підвищений вміст сирої клітковини і більш темне забарвлення. Обидва види соняшникового концентратів (білкового борошна) відрізнялися доброю ОБЦ, порівняно зі знежиреним соєвим борошном.
Соняшникові білки перспективні для використання у м’ясопереробній та кондитерської промисловостях. Крім того, вони мають добрий потенціал для використання у продуктах спеціального лікувально-профілактичного харчування, зокрема для людей, які страждають на целіакію.
Удосконалення наявних технологій промислової переробки насіння соняшнику і створення нових технологій та обладнання для виробництва харчових білкових продуктів дозволить збільшити комплексне використання вітчизняної сировини і підвищити ресурси продовольчого білка в Росії і Україні.
Саме тому отримання харчових білків із насіння соняшнику наразі може отримати промислове значення.
Так вийшло, що соняшник понад три тисячі років тішив людину красою цвітіння, і саме слов’яни 185 років тому відкрили світу олію соняшникову — є шанс зробити наступний, не менш значущий крок, — дати світові білок соняшнику.
Шановний читачу, вищевикладений матеріал має загальноінформативне значення. Ми могли б запропонувати в загальній технології переробки соняшнику наступне.
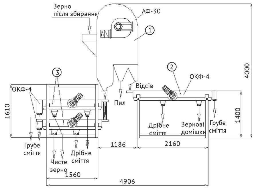
1. Підвищити ефективність очищення соняшнику від легкого сміття перед закладанням його на зберігання. Для цього необхідно встановити зерноаспіратор Фадєєва ЗАФ-100 (рис. 9). Але оскільки соняшник легкий, і його швидкість витання має широкий діапазон (3–15 м/с), то у фракції, віднесеній повітрям, присутнє щупле насіннячко, повернути яке в загальний обсяг соняшнику можна на установці очищувального калібратора ОКФ-4, встановленого на сортуванні відсіву (віднесення).
Рис. 9. Схема очищення соняшнику перед завантаженням
на тимчасове зберігання

2. Підняти продуктивність будь-яких насіннєочисних машин шляхом заміни сит із круглими отворами на сита Фадєєва з отворами гексагональної форми (рис. 10) і заміни щілинних плоских сит на решета Фадєєва (рис. 11).
Рис. 10. Геометрія сит

Рис. 11. Геометрія плоских сит (1) і решіт Фадєєва (2)

3. Видаляти дрібну олійну фракцію з лушпиння соняшнику на очищувальних калібраторах ОКФ-4 при установці на них сит Фадєєва з розміром гексагонального отвору 2,0.
4. Поставити технологію з переробки соняшнику на ядро при обрушенні соняшнику на відцентровій рушці СІФ-1000 (рис. 12).
Рис. 12. Відцентрова рушка і принцип її роботи

Частина 2. Закінчення. Початок в №21





